發布時間:2022-01-11 16:15:40 作者:顯揚科技
大寰是國內協作機器人智能電爪市場上主流的廠家之一,大寰AG-95夾爪與目前市面上所有主流品牌協作機器人均具有官方適配的即插即用功能,在汽車、3C電子、醫療、新零售等多個行業中有廣泛應用。
大寰AG-95夾爪指尖更換頻率:

注意:
在對手爪進行任何操作之前,請先關閉機器人和夾持電源。
大寰AG-95夾爪指尖更換更換步驟:
1. 使用 M3 內六角螺絲刀卸下指尖螺絲,拆卸磨損的指尖。
2. 清潔手指件并徹底擦干。
3. 取出指尖上φ3x6 mm 定位銷。
4. 將φ3x6 mm 定位銷插入新的指尖。
5. 將新的指尖裝上手爪,并用螺絲固定。
6. 另一個指尖重復以上操作進行更換。
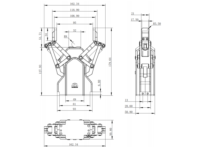
大寰AG-95夾爪結構示意圖:


大寰AG-95夾爪通訊協議轉換器:
通訊協議轉換器可完成 PGC/RGI/PGE/PGI 夾爪的通訊轉換的需求,以此達到在不同的通訊協議下控制夾爪的需求。
夾爪本體內嵌有 modbus-RTU 協議及 IO 模式進行控制,無需任何驅動器及伺服器。當以上兩種協議不能滿足項目需求,您可以使用通訊協議轉換器將其他通訊協議(USB、TCP/IP、MODBUS TCP、CAN2.0 等)轉換到 485 模式,從而支持不同的控制器(PC/PLC/機器人)連接。
通訊協議轉換器說明:
對于其他通訊協議,如 EtherCat、ProfiNet、Ethernet/IP 等通訊協議,需要使用專門的通訊協議轉換器,具體外觀會有所不同。
顯揚科技通過自主研發的高速高清三維機器視覺設備,以及智能工業機器人系統,聯合多個知名機器人與機器人夾具企業,構建了一個機器人生態系統。顯揚生態的產品能夠完美的與顯揚科技的機器視覺產品結合,包含通信協議、圖形處理SDK、操作案例等。顯揚科技同時是這些企業的代理商,可以提供可靠、性價比高的產品。目前顯揚科技生態系統包括以下品牌:UR優傲協作機器人 、AUBO遨博移動機器人、Franka Emika 協作機器人、艾利特Elite協作機器人、Kuka iiwa 協作機器人、ABB工業機器人、海康工業鏡頭 、海康工業相機、伯朗特工業機器人、 愛普生Epson工業機器人、 robotiq夾爪 、robotiq真空吸盤、robotiq腕部相機、慧靈機器人電爪 、大寰機器人電爪、研華工控機、超恩工控機、創想三維3D打印機 、Mir AGV、機器人關節、精密機械加工服務。通過顯揚生態,客戶可以快速找到合適的機器人本體、夾具等,并快速部署基于顯揚三維機器視覺產品的工業應用。
顯揚(深圳)
深圳市福田保稅區英達利科技數碼園B棟205號
顯揚(佛山)
佛山市南海區獅山鎮廣工大數控裝備協同創新研究院A座507
顯揚(蘇州)
張家港市塘橋鎮張家港節能環保創新園A區E幢6樓
微信公眾號
合作咨詢
電話:0755-83215213
聯系人:18670025215
郵箱:jim@hinyeung.com